中文版
ENGLISH
Home
About Us
Products
News
Recruitment
Feedback
Contact Us
Y2 Series
Y Series
Electric Motor Series
Vortex air pump/High pressure blower
YS, YU, YC, YL Series
NMRV Series Worm Gear Reducer
Electronic Switch
GOST motors
Your Location:
Home
-
Products
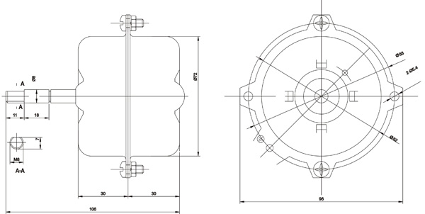
Fan motor yyhs-30(2800转)
Features :
项目
电压 (V)
频率 (HZ)
输入功率 (W)
转速 (r/min)
转向
电容 (uf)
轴承
端盖 外表处理
型号
110/220
50/60
30
2850
逆时针
1/2.5
滚动
定白
BACK >>
Copyright © 2013-2022
Taizhou Becha Machine Co., Ltd.
浙ICP备******号 Email:
becha@bechamachinery.com